Глупые вопросы тут?

Модератор: Geuge

Souce_Kalve
Сообщения: 118
Зарегистрирован: 11 сен 2020, 19:57
Благодарил (а): 1 раз

Глупые вопросы тут?

Сообщение Souce_Kalve » 16 сен 2020, 14:55

Есть Мостовой КСВ-метр(для кого-то - индикатор) и так-же индикатор напряжённости поля - намотано пару витков на балуне.

Отправлено спустя 22 секунды:
Балун убираю,последу вашим советам.

Отправлено спустя 57 секунд:
Антенну поверну вертикально,по вашему совету.
UB9OFN

Реклама
Аватара пользователя
R9PM
Сообщения: 747
Зарегистрирован: 02 ноя 2015, 21:30
Откуда: Новосибирск
Благодарил (а): 23 раза
Поблагодарили: 59 раз
Контактная информация:

Глупые вопросы тут?

Сообщение R9PM » 16 сен 2020, 15:14

Главное - размер!
73! Михаил (ex: UA9OAP)

Souce_Kalve
Сообщения: 118
Зарегистрирован: 11 сен 2020, 19:57
Благодарил (а): 1 раз

Глупые вопросы тут?

Сообщение Souce_Kalve » 16 сен 2020, 15:18

Минутка юмора:Главное не размер,а умение пользоваться! :lol:
UB9OFN

ГРАНИТ
Сообщения: 2142
Зарегистрирован: 21 ноя 2011, 21:14
Откуда: NO14TH
Благодарил (а): 119 раз
Поблагодарили: 60 раз

Глупые вопросы тут?

Сообщение ГРАНИТ » 16 сен 2020, 15:21

Souce_Kalve писал(а):
16 сен 2020, 14:57
индикатор напряжённости поля - намотано пару витков на балуне
Это нечто странное. Потому как напряженность поля определяют на некотором (легко сказано) удалении от антенны. Для 2м диапазона дистанции 3-5м достаточно, 10м и более совсем хорошо. Индикатор представляет собой маленькую антенну, желательно не направленную и не частотозависимую к которой подключен измерительный прибор, показывающий уровень на её выходе. В простецком случае это небольшая рамка или пара усиков из проволоки , диодный выпрямитель с конденсатором и микро/миллиамперметром. В вашем случае частотозависимость не важна, так как все измерения будут практически на одной частоте. Чувствительность измерительной головки будет определять расстояние на которое можно отнести прибор. (чем дальше тем лучше)

Про
Souce_Kalve писал(а):
16 сен 2020, 14:57

Мостовой КСВ-метр
подробностей пожалуйста. Марка или схема, монтаж и из чего собран, если самодельный.
73! RX9O - Дмитрий.

Souce_Kalve
Сообщения: 118
Зарегистрирован: 11 сен 2020, 19:57
Благодарил (а): 1 раз

Глупые вопросы тут?

Сообщение Souce_Kalve » 16 сен 2020, 16:40

Самодел,схему кинуть сюда не могу,фото не крепиться :D.Из выводных деталей,но старался чтобы как можно выводы были меньше.

Отправлено спустя 1 минуту 39 секунд:
https://forum.cxem.net/uploads/monthly_ ... 109182.jpg

Отправлено спустя 1 минуту 15 секунд:
Сейчас выявляю,какие частоты у меня прошиты на трансивере.Вопрос - что находится на частоте 148.425 и 148.050?

Отправлено спустя 38 секунд:
Так-же на примерно 148.5**?
UB9OFN

Аватара пользователя
R9PM
Сообщения: 747
Зарегистрирован: 02 ноя 2015, 21:30
Откуда: Новосибирск
Благодарил (а): 23 раза
Поблагодарили: 59 раз
Контактная информация:

Глупые вопросы тут?

Сообщение R9PM » 16 сен 2020, 16:50

фото крепить так
нажать "Добавить файлы"
Выбрать файл,который нужно добавить. Будет такая картина:
форум.jpg
файл добавлен
форум.jpg (261.46 КБ) 5408 просмотров
Можно вставить в текст сообщения, можно добавить комментарий к файлу.
Потом нажать "Отправить"
Вложения
IMG_20200724_201837.jpg
73! Михаил (ex: UA9OAP)

Souce_Kalve
Сообщения: 118
Зарегистрирован: 11 сен 2020, 19:57
Благодарил (а): 1 раз

Глупые вопросы тут?

Сообщение Souce_Kalve » 16 сен 2020, 16:52

Это я понял.Сейчас нормально прикреплю.
2aocbxdb9k.jpg
2aocbxdb9k.jpg (5.14 КБ) 5405 просмотров
UB9OFN

ГРАНИТ
Сообщения: 2142
Зарегистрирован: 21 ноя 2011, 21:14
Откуда: NO14TH
Благодарил (а): 119 раз
Поблагодарили: 60 раз

Глупые вопросы тут?

Сообщение ГРАНИТ » 16 сен 2020, 16:59

Только не из выводных, а smd деталей. Можно резисторы делать наборными, параллельно штучки по четыре как минимум, для повышения рассеиваемой мощности. И резисторы покрупнее взять. Хотя... если перед входом такого моста поставить аттенюатор, где и будет рассеиваться мощность, то сгодятся и одиночные резисторы. Установка аттенюатора желательна еще по причине "отсечки" влияния источника сигнала на балансировку моста. В одно плечо предусмотреть подключаемый триммер (smd подстроечный резистор) 150-200 Ом. Это даст возможность примерно оценить входное сопротивление "объекта".(пригодится потом) Схему с аттенюатором может Geuge подкинет, под рукой у меня сейчас нет.
Ну и для +- лапоть :) схема на выводных деталях тоже подойдет. Но привирать может прилично, смотря что за резисторы.

Отправлено спустя 5 минут 4 секунды:
Перед отправкой, мегатонные фотки надо ужимать. Бо бывает расматривать под микроскопом нечего, а инет тупит.
73! RX9O - Дмитрий.

Souce_Kalve
Сообщения: 118
Зарегистрирован: 11 сен 2020, 19:57
Благодарил (а): 1 раз

Глупые вопросы тут?

Сообщение Souce_Kalve » 16 сен 2020, 17:11

Знаю про SMD.Хочу сделать на них,но пока не могу найти нужные диоды.
UB9OFN

ГРАНИТ
Сообщения: 2142
Зарегистрирован: 21 ноя 2011, 21:14
Откуда: NO14TH
Благодарил (а): 119 раз
Поблагодарили: 60 раз

Глупые вопросы тут?

Сообщение ГРАНИТ » 16 сен 2020, 17:17

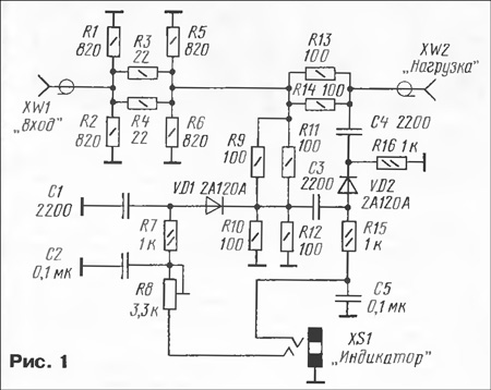
О, в тырнете попался. По такой схеме, журнал Радио. Аттенюатор из наборных резисторов. R10 и R12 составной, один постоянный, другой подстроечный, что бы их сопротивление в среднем диапазоне получалось 50-75 Ом. Желательно охватить как минимум диапазон 20-120 Ом.
unnamed.jpg
unnamed.jpg (42.71 КБ) 5400 просмотров
73! RX9O - Дмитрий.

Ответить